BM6系列马达

——

产品分类
— PRODUTC —
  • BM6(6K)系列马达大方
    1. BM6(6K)系列马达大方BM6(6K)系列马达大方BM6(6K)系列马达大方BM6(6K)系列马达大方BM6(6K)系列马达大方BM6(6K)系列马达大方BM6(6K)系列马达大方BM6(6K)系列马达大方BM6(6K)系列马达大方BM6(6K)系列马达大方BM6(6K)系列马达大方BM6(6K)系列马达大方

BM6(6K)系列马达大方

地址:山东省济宁市任城区聚源电商小镇4号楼21号 

电话/微信:135-0638-8161(张经理)
电话/微信:135-8376-7126(李经理)
电话:0537-2635166
传真:0537-2635199   2310286


er

信息详情

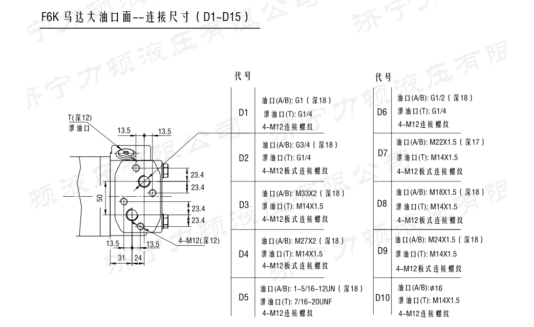
bm6(6k)系列马达









BM6(6K)系列马达大方 2023-5-29 本文被阅读 2127次
上一条:BM5装载机马达下一条:FRE系列车轮液压马达

同类产品